
Heat recovery from air compressors is a very environmentally friendly and energy-saving method, and is currently highly regarded as an energy-saving renovation. It is the process of transferring heat from the high-temperature oil of the air compressor to cold water through technologies such as heat exchange. The cold water is then heated and flows into a heat preservation tank, achieving the goal of heat recovery.
1. Heat Recovery for Oil Injected Screw Air Compressors
1.1 The principle of heat recovery in oil-injected screw air compressors
After compression, the high-temperature and high-pressure oil and gas mixture generated by the oil-injected screw air compressor is separated in the oil-gas separator. By modifying the oil outlet pipeline of the oil-gas separator, the high-temperature oil is directed into the heat exchanger. The bypass valve of the heat exchanger dynamically allocates the oil flow entering the heat exchanger and the bypass pipe to ensure that the return oil temperature does not fall below the compressor’s return oil protection temperature. The cold water on the water side of the heat exchanger exchanges heat with the high-temperature oil. The heated water can be utilized for domestic hot water, air conditioning heating, boiler feedwater preheating, and process hot water, among other applications.
1.1.1 Single-stage heat recovery for waste heat recapture

Process diagram of the single-stage heat recovery system for oil-injected screw air compressors
The cold water in the heat preservation tank is exchanged directly with the energy recovery device inside the air compressor through the circulator pump, and then returned to the heat preservation tank. The system is characterized by its less equipment, high heat exchange efficiency. However, it must be noted that it is necessary to choose a high-quality material for the energy recovery device and perform regular cleaning. Otherwise it is easy to cause blockage due to high-temperature scaling or leakage from the heat exchange device, leading to contamination of the application end.
1.1.2 Two-stage heat recovery for waste heat recapture

Process diagram of the two-stage heat recovery system for oil-injected screw air compressors (used for air conditioning)
The system performs two stages of heat exchange. The primary side, which exchanges heat with the energy recovery device, is a closed-loop system, while the secondary side can be either an open-loop or closed-loop system. The closed-loop system on the primary side uses pure or distilled water circulation, which can reduce the damage caused by water scaling to the energy recovery unit. Even if the heat exchanger is damaged, the heating medium on the application end is less likely to be contaminated.
1.2. The advantages of heat recovery in oil-injected screw air compressors
After the oil injection screw air compressor is installed with a heat recovery device, it will have the following benefits:
1.2.1 Stop or reduce the running time of the air compressor cooling fan. The heat recovery device needs to use the circulator pump, and the pump motor consumes a certain amount of electrical energy, but when the exhaust port temperature of the air compressor air end does not reach 176 – 203 ℉ (can be set in this range). The air compressor’s own cooling fan is not operational. The power of this fan is generally 4-6 times larger than that of the circulating water pump. Additionally, because the oil temperature can be well controlled, the exhaust fan in the equipment room can be opened less or not at all, which is another energy saving point.
1.2.2 Converting waste heat into hot water without any additional energy consumption.
1.2.3 Increase the displacement of the air compressor. Since the operating temperature of the air compressor can be effectively controlled in the range of 176 – 203 ℉ by the heat recovery device, the oil concentration can be maintained well, leading to an increase in the displacement of the air compressor by 2%~6%. This is equivalent to energy savings. This is particularly important for air compressors operating in the summer, as higher ambient temperatures during this season can elevate oil temperatures to around 212 ℉, causing oil thinning, decreased air tightness, and a reduction in the displacement. Therefore, the advantages of the heat recovery device are more pronounced during the summer.
2. Heat Recovery for Oil Free Screw Air Compressors
Oil-free screw air compressors have greater potential for heat recovery compared to oil-injected screw air compressors. Because of the absence of oil cooling, the compression process is more deviated from isothermal compression, which leads to most of the power being converted into the compression heat of compressed air, which is also the reason why the exhaust temperature of oil-free screw air compressor is too high. The recovery of this part of the heat energy for the user’s industrial water, preheater and bathroom water, etc., will greatly reduce the energy consumption of the project, thus achieving low carbon and environmental protection.
| Heat Parts | Intercooler | Aftercooler | Oil Cooler | Low & High Pressure Air End |
| Heat Proportion | 45% | 36% | 9% | 8% |

Internal process network for heat recovery of oil free screw air compressors
The cold water passes through the oil cooler, the high pressure air end, the low pressure air end, the intercooler and the aftercooler for heat transfer.
3. Heat Recovery for Centrifugal Air Compressors

Process diagram of heat recovery for centrifugal air compressors
In order to achieve the pressure required by the design, each centrifugal air compressor has a different number of stages or steps, and even consists of several cylinder blocks. Three stage compression is common. The first and second compressed air is not suitable for waste heat recovery due to the influence of outlet temperature and pressure. Generally, for the heat recovery of the third stage compressed air, it is necessary to add an air aftercooler, which cools the compressed air without affecting the operation of the system when the hot end does not need to use heat.
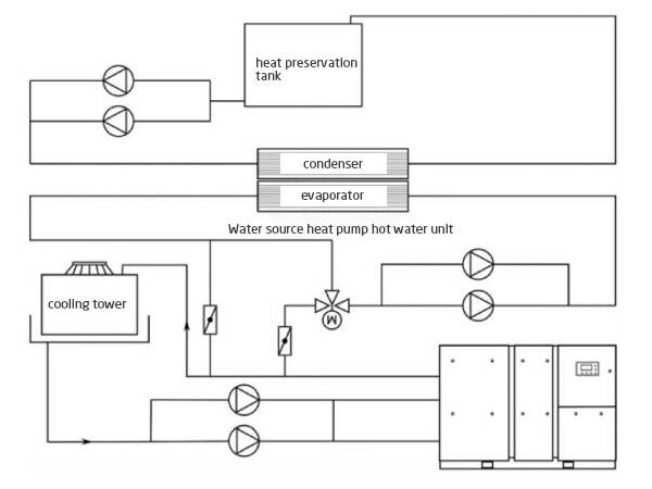
4. Another Way of Heat Recovery for Water-cooled Air Compressors

Process diagram of water source heat pump hot water unit for water cooled air compressor
For water-cooled oil-injected screw compressors, oil-free screw compressors, centrifugal compressors, and other types of air compressors, in addition to the internal structure transformation of the heat recovery, but also without changing its body structure, the cooling water pipeline can be directly transformed to achieve heat recovery.
By installing a secondary pump on the cooling water outlet pipe of the air compressor and directing the cooling water into the main unit of a water-source heat pump, the temperature sensor at the evaporator’s inlet of the main unit adjusts the electric three-way control valve in real-time. This control ensures that the evaporator’s inlet temperature remains at a specified value. Through this process, the water-source heat pump system can generate hot water at 122 – 131 °F to meet the needs of domestic and production processes.
If there is no demand for high-temperature hot water, it is possible to connect a plate heat exchanger in series in the circulating cooling water circuit of the air compressor. High-temperature cooling water exchanges heat with soft water from the soft water tank, reducing the internal water temperature while increasing the external water temperature. The heated water is stored in a thermal storage tank and then conveyed to the heating network for use where a low-temperature heat source is needed, as shown in the diagram below:

Process diagram of heat recovery for water cooled air compressors
After the heat from the cooling water is utilized, the load on the water cooler is significantly reduced, to the extent that a cooling tower may no longer be necessary. However, to ensure the safe and reliable operation of the system, a cooling tower is generally retained. In this case, control valves in normally closed states are installed on the inlet and outlet pipelines of the cooling tower. These control valves are temperature-controlled, and in the event of a malfunction in the waste heat recovery system, if the internal water temperature rises to a predetermined level, the valves open, activating the original cooling tower cooling system to ensure the reliable cooling of the air compressor.
Related Reading
With the global push for energy conservation and emission reduction, more and more companies are exploring new strategies to reduce energy consumption and carbon emissions.
Contact Us
If you need to purchase an air compressor with a heat exchanger, we have products that can meet your specific requirements.
Contact[email protected]Whatsapp+86 13501890887
Based in
No. 668. Delixi Road. Nanxiang Industrial Development Zone, Shanghai, PRC.
Contact[email protected]
Whatsapp+86 13501890887
Based in
No. 668. Delixi Road. Nanxiang Industrial Development Zone, Shanghai, PRC.










-66x66.webp)
